Actualités
Diodes announces new SiC Schottky devices
Diodes Incorporated has expanded its SiC product portfolio with a series of five high-performance, low figure-of-merit (FOM) 650V SiC Schottky diodes. Rated at 4A, 6A, 8A, 10A, and 12A, the DSCxxA065LP series is housed in the ultra-thermally efficient T-DFN8080-4...
Stellantis accélère le développement de la fabrication additive automobile en Europe
C’est une bonne nouvelle pour la fabrication additive et le secteur automobile européen : la semaine dernière, Stellantis, l’un des principaux constructeurs automobiles au monde et propriétaire des marques françaises Peugeot et Citroën (entre autres), a annoncé une...
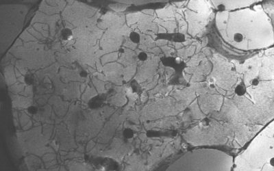
Un cristal peu commun a été découvert pour rendre le métal imprimé en 3D plus solide
L’impression 3D métal continue de progresser, notamment pour renforcer les pièces destinées à l’industrie aérospatiale ou automobile. Récemment, des chercheurs ont mis en lumière une découverte dans des alliages d’aluminium imprimés en 3D : des structures atomiques...
Application du mois : des prothèses d’épaule en titane personnalisées imprimées en 3D
Ces dernières années, le développement rapide de la technologie de fabrication additive dans le domaine médical a permis des avancées significatives dans la recherche, le développement de médicaments et la production de prothèses, d’implants et de dispositifs...
Bulletin de veille nanotechnologies n°61, avril 2025
Objectifs : Veille documentaire sur la prévention des risques professionnels liés aux nanomatériaux et nanoparticules. Tous les bulletins édités sont disponibles sur le portail documentaire de l’INRS. L'abonnement vous permettra de recevoir une alerte mail lors de la...
Pratt & Whitney to use additive manufacturing to repair critical GTF engine components
Pratt and Whitney has announced it is using additive manufacturing to accelerate the repair of critical GTF engine components. The US aerospace company says the process, which was developed at its North American Technology Accelerator in Florida in collaboration with...
China drone dominance fuels ambitions for low-altitude economic supremacy
China has positioned the low-altitude economy as a cornerstone of its future industrial strategy, with drones serving as the linchpin of this burgeoning sector. Leveraging its early entry into the drone industry, China has secured a dominant global... Pour en savoir...
D-Orbit met le cap sur une expansion au-delà des services de transport spatial
Depuis cinq ans, l'entreprise italienne D-Orbit lance des charges utiles pour ses clients à bord de ses véhicules de transfert orbital (OTV). Depuis, elle s'est positionnée comme un fournisseur fiable de transport spatial et de plateforme d'hébergement. L'entreprise...
Entre Barcelone et Toulouse, Pangea Aerospace développe un moteur réutilisable pour fusée imprimé en 3D
Pangea Aerospace veut développer un moteur pour fusée qui reprend la propulsion "aerospike" inventé par la Nasa, mais imprimé en 3D et réutilisable une dizaine de fois. La start-up installée entre Barcelone et Toulouse ambitionne de devenir le motoriste du spatial...
La British Army développe le Weevil, un système robotisé pour ouvrir des brèches dans les champs de mines
En général, que ce soit pour aider des véhicules blindés à franchir un obstacle ou pour ouvrir une brèche dans une défense, les sapeurs sont particulièrement exposés aux tirs ennemis. Aussi, la robotique militaire leur permettra sans doute de prendre moins de risques....









